Blower Motor Relay Test : Lincoln Town Car Questions Where Is The Fuse Relay Located On A 2010 Lincoln Town Car Cargurus - Blower motor not working 3 answers.. Blower motor not working 3 answers. Part # 000 822 1103 its the big black 12 pin relay behind the glove box. The blower motor relay is an essential component in a functioning hvac system. Blower motor fan relay testing and replacement. Find solutions to your blower motor relay test question.

How to repair p1624 hyundai code engine coolant blower motor relay low speed circuit malfunction. The manual may refer to a blower relay, an ac relay, or a cooling fan relay. When we increase the motor output power according to that we to protect, high voltage motor we uses motor protection relay. Many blower resistors control current to the blower motor in all speeds except high. Testing the blower motor and electrical system.

Tacoma Fan Switch Not Working Aaron Linsdau Adversity Expert
Tacoma Fan Switch Not Working Aaron Linsdau Adversity Expert from ncexped.com
The plug going to the blower motor doesn't though, no power going to the plug on any setting. It is also called as mpr. For example, in the 2009 honda accord, the service manual describes the procedure. The blower motor relay is the electrical switch that is used to supply the power for the vehicle's blower motor. Blower motor fan relay testing and replacement. How to repair p1624 hyundai code engine coolant blower motor relay low speed circuit malfunction. I have a 2005 sp23 and this late fall my blower for heat and ac would not turn on or eventually turn on after a little while. Typically it's done by measuring the testing honda power transistor (blower motor control module).

As you already may know, the blower motor relay is the one that connects the blower motor to battery power (when you turn on the heat, or a/c, in your honda civic).

For example, in the 2009 honda accord, the service manual describes the procedure. As you already may know, the blower motor relay is the one that connects the blower motor to battery power (when you turn on the heat, or a/c, in your honda civic). Could be a fuse, a relay, the blower motor or the blower resistor. Blower resistor testing should be easy with this simple guide. Other possibilities for a short are a system wiring failure. The second for the high speed relay test is this: The blower relay can be tested using an ohmmeter set to. Blower motor not working 3 answers. These relays are mostly used for most of the application. Ignition in run negative battery cable disconnected. Many blower resistors control current to the blower motor in all speeds except high. In high speed the resistor is bypassed and power is fed to the motor directly from the switch. I started by testing the thermostat by connecting red to white, red to green, etc the blower still did not come on also the i opened the panel where the blower is and cant find a reset button on the blower motor but i don't think that the motor.

Where is the blower motor relay location on a 1994 chevy s10 4x4, 4.3 v6. Perform a test to ensure a proper connection. You'll probably be replacing the resistor. Heater blower motor information so, after searching a million threads and asking a million questions i finally got the information i needed. Fan switch stopped working on number 4 setting.

How To Replace And Test An Automotive Blower Fan Motor
How To Replace And Test An Automotive Blower Fan Motor from www.2carpros.com
In the begining if i banged the side of the counsol it would kick on. If the blower motor doesn't work at all, the blower motor itself must be tested first. Testing the blower motor and electrical system. The manual may refer to a blower relay, an ac relay, or a cooling fan relay. Motor protection relays are used to protect the higher hp high voltage induction motor. Watch the video explanation about blower motor fan relay testing and replacement online, article, story, explanation, suggestion, youtube. Blower motor not working 3 answers. How to test a blower resistor?

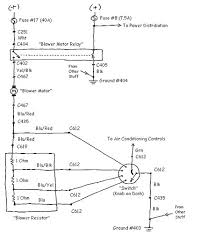
I am not sure where the relay is, and it requires special tools or replacement with a known good relay to test.

Other possibilities for a short are a system wiring failure. The blu/wht lead to the blower motor would have +12volts present if the you can do some continuity testing to the terminals to the fan switch,grounds, check for short or loose connections, poor ground, bad fan switch, check fuses. The blower motor relay is the electrical switch that is used to supply the power for the vehicle's blower motor. How to test a blower resistor? Turn ignition switch to on operate blower motor (high blower speed) terminals standard value gnd body ground continuity i05291 +b body ground battery. Watch the video explanation about blower motor fan relay testing and replacement online, article, story, explanation, suggestion, youtube. Today we're going over the steps on how to locate, test and replace a blower motor fan relay. The plug going to the blower motor doesn't though, no power going to the plug on any setting. Charlie_one is correct, these are usually located near the blower motor housing, which is typically up behind the glove box. As shown in the video, use google images and/or a web search. It is also called as mpr. It's easy to check the fuse, using the owners manual. Start testing by turning the ignition switch to the on position throughout this test procedure.

Blower resistor testing should be easy with this simple guide. Testing the blower motor and electrical system. Ignition in run negative battery cable disconnected. Typically it's done by measuring the testing honda power transistor (blower motor control module). Start testing by turning the ignition switch to the on position throughout this test procedure.

Chrysler Dodge 04692181aa Blower Motor Fuel Pump Keyless Starter Cruise Relay Motors Ib John Auto Parts Accessories
Chrysler Dodge 04692181aa Blower Motor Fuel Pump Keyless Starter Cruise Relay Motors Ib John Auto Parts Accessories from i.ebayimg.com
Try all positions of the fan switch and take note of what happens. I tried hooking ground to terminal #7 and touching 12 volt to other terminals to hear a click but nothing. Fan switch stopped working on number 4 setting. Today we're going over the steps on how to locate, test and replace a blower motor fan relay. If the blower works on high and no other speed, then the resistor is bad. Is there a way to check this relay for function? The manual may refer to a blower relay, an ac relay, or a cooling fan relay. Turn ignition switch to on operate blower motor (high blower speed) terminals standard value gnd body ground continuity i05291 +b body ground battery.

The blower motor relay is the electrical switch that is used to supply the power for the vehicle's blower motor.

The blu/wht lead to the blower motor would have +12volts present if the you can do some continuity testing to the terminals to the fan switch,grounds, check for short or loose connections, poor ground, bad fan switch, check fuses. Try all positions of the fan switch and take note of what happens. Perform a test to ensure a proper connection. Motor protection relays are used to protect the higher hp high voltage induction motor. This video is not meant to be a definitive how to.always consult a professional repair manual before solution: It's easy to check the fuse, using the owners manual. The blower motor relay is in the under hood box. In the begining if i banged the side of the counsol it would kick on. Heater blower motor information so, after searching a million threads and asking a million questions i finally got the information i needed. Here you may to know how to check blower motor relay. The blower motor relay is an essential component in a functioning hvac system. How to repair p1624 hyundai code engine coolant blower motor relay low speed circuit malfunction. As shown in the video, use google images and/or a web search.

By